KUKA库卡机器人KR6 R900五六轴手腕 承接维修服务

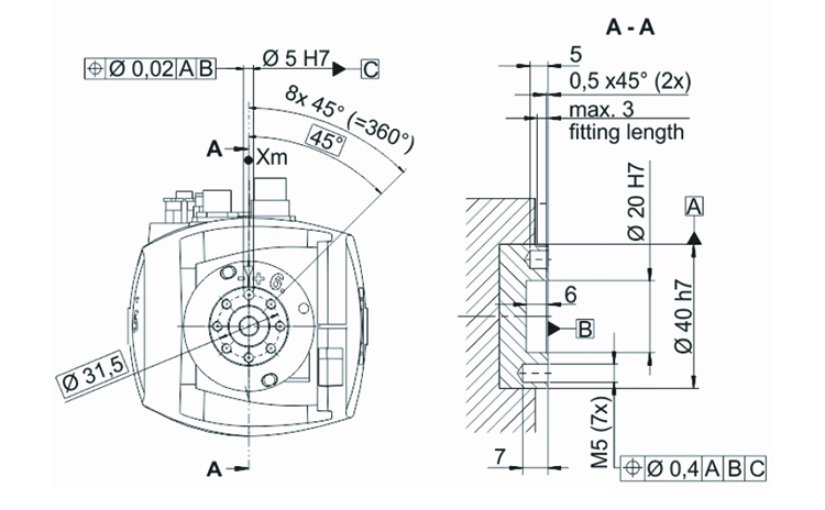
KUKA库卡机器人KR6 R900五六轴手腕尺寸:15:*12*12cm
KUKA库卡机器人KR6 R900五六轴手腕重量:3kg




KR6 R900库卡机器人大负载能力达 6kg,作用半径长达约 901.5mm。KR6 R900系列款式如下:
KR 6 R900-2
执行环境:标准
安装位置:天花板, 地板, 墙壁, 夹角
防护等级:IP65, IP67
KR 6 R900 CR
执行环境:洁净室
安装位置:天花板, 地板, 墙壁, 夹角
防护等级:IP54
KR 6 R900 EX
执行环境:防爆区
安装位置:地板
防护等级:IP67
KR 6 R900 HM-SC
执行环境:洁净机器特殊连接
安装位置:天花板, 地板, 墙壁, 夹角
防护等级:IP65, IP67
KR 6 R900 WP
执行环境:防水
安装位置:天花板, 地板, 墙壁, 夹角
防护等级:IP67
Tags:
